





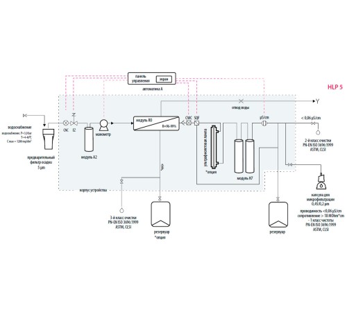
Технические характеристки и особенности системы очистки воды Hydrolab HLP 5:
- Устройство работает под давлением водопроводной воды.
- Ступени очистки воды:
• фильтр механической очистки 5 мкм,
• осадочно-угольно-смягчающая фильтрация (встроенный модуль А),
• обратный осмос,
• двойная деминерализация на смешанном ионообменном слое.
- Производительность ок. 5 - 7 дм³/ч (в сутки 120 - 150 дм³).
- Проводимость очищенной воды ниже 0,06 мкСм/см.
- Автоматическая и не требующая обслуживания работа устройства.
- Возможность комплектации насосом, повышающим давление водопроводной воды.
- Точка забора воды - вторая степень чистоты в соответствии с PN-EN ISO 3696: 1999, ASTM, CLSI, оборудованный краном с шлангом длинной мин. 2 м.
- Система оснащена резервуаром под давлением емкостью 10 дм³ для хранения очищенной воды.
- Возможность замены на резервуар большего объема.
- Возможность установки дополнительной точки забора воды - первая степень чистоты в соответствии с PN-EN ISO 3696:1999 (с капсулой микрофильтрации 0,2 мкм).
- Возможность установки дополнительной точки забора воды - третья степень чистоты в соответствии с PN-EN ISO 3696:1999 (предназначенная для мытья лабораторной посуды, для снабжения лабораторной посудомоечной машины, автоклава и т. д.).
- Возможность подключения к посудомоечной машине, автоклаве и т. д.
- Подвижный держатель на раме из нержавеющей стали, фиксирующий водозаборные краны. Держатель возможно регулировать:
вверх/вниз, вправо/влево, вперед/назад.
- Возможность установки УФ-стерилизатора.
- Автоматическая остановка работы системы при полном резервуаре.
- Возможность самостоятельного обслуживания (простая замена фильтрующих картриджей).
- Система предназначена для холодного водоснабжения: 5-40 °C.
- Электропитание: 230 В / 50 Гц.
- Возможность самостоятельного монтажа устройства.
- Корпус системы выполнен из нержавеющей, кислотостойкой стали.
- Размеры (ШхГхВ): 235х440х510 мм.
- Резервуар 10 дм³: высота 390 мм, диаметр 250 мм.
Функции контроля работы системы очистки воды Hydrolab HLP 5:
- Устройство оснащено микропроцессорной контрольно-измерительной системой, имеющей:
• ЖК-дисплей 2x16 символов,
• кондуктометр, измеряющий проводимость и температуру очищенной воды в мкСм/см или МОм,
• автоматическая компенсация температуры,
• часы, отображающие дату и время,
• сигнализация, информирующая о замене фильтра механической очистки и модуля А2,
• сигнализация, информирующая о замене ионообменных модулей,
• меню на русском языке на дисплее устройства,
• предварительный просмотр дат обслуживания,
• встроенный разъем RS 232 для подключения к компьютеру,
• возможность индивидуальной настройки частоты обслуживания и уровней сигнализации непосредственно на устройстве.
- Программное обеспечение на внешнем носителе для калибровки устройства.
- Встроенный манометр для контроля давления водопроводной воды.
Функции, обеспечивающие защиту работы системы очистки воды Hydrolab HLP 5:
- Прекращение работы насоса при:
• низком давлении подачи воды (отсутствие подачи воды) – датчик низкого давления,
• полном баке – датчик высокого давления.
Параметры очищенной воды:
- Вода, очищенная в устройстве, соответствует требованиям нормы PN-EN ISO 3696: 1999 для воды второй и третьей степени чистоты.
- Полученная вода соответствует микробиологическим и физико-химическим требованиям FP для производственной очищенной воды*.
- Полученную воду можно использовать для инструментальных анализов AAS, ICP/MS*, IC*, HPLC*, GC*, селекции бактериальных культур*, биохимических анализов*.
- Бактерии <1 КОЕ/мл *.
- Частицы >0,2 мкм <1 частица/мл *.
- Проводимость: 0,06 мкСм/см.
- Сопротивление: 18,2 МОм * см.
* в точке отбора оснащенной капсулой микрофильтрации 0,45/0,2 мкм.
Расходные материалы, подлежащие периодической замене:
- Предварительные фильтры:
• фильтр механической очистки 5 мкм,
• модуль A (осадочно-угольно-смягчающий).
Замена каждые 6 месяцев.
- Ионообменные модули:
• H7, Н7 - два ионообменных модуля емкостью каждый по 2000 мл.
Замена после производства около 4000 дм³ очищенной воды (количество производимой воды зависит от качества водопроводной воды).
Требуемые соединения на месте установки:
- подсоединение к холодной водопроводной воде ½ или ¾,
- слив в канализацию,
- розетка 230 В.
Нет отзывов об этом товаре.
Нет вопросов об этом товаре.
Доставка заказов осуществляется в любые регионы Российской Федерации и страны СНГ.
Цены на нашем сайте указаны с учетом НДС (20% либо 10%).
Оплата заказов производится только в безналичной форме на расчетный счет в рублях Российской Федерации на основании выставленного Счета.
Для бюджетных организаций и государственных структур предусмотрены особые условия оплаты.
Постоянным клиентам предоставляются скидки и индивидуальный порядок расчетов.
Внимание! В связи с нестабильным курсом валют и изменением цен у производителей, просим окончательную стоимость продукции уточнять у наших менеджеров.
Варианты доставки:
Самовывоз со склада в городе Клин
Адрес выдачи: Московская область, г. Клин, ул. Захватаева, д. 4, офис 101
Контактный телефон: +7 (977) 407-05-96
Доставка по Клину и Клинскому району – бесплатно
Доставка по Москве – 1 500 рублей
Доставка любыми транспортными компаниями, службами экспресс-доставки. Стоимость рассчитывается индивидуально для каждого заказа в соответствии с установленными тарифами транспортной компании. Все грузы застрахованы.
Компания "КомплектСнаб является официальным поставщиком от производителя Hydrolab. Вы всегда можете получить бесплатную консультацию по продукции, получить КП и задать вопросы по подбору аналогов продукции.